新能源行业厂家对硬铝排焊接镍片技术与质量要求
2024/6/27 来源:铜排软连接专业生产工厂 点击次数:
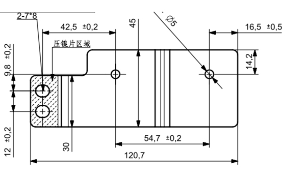
在新能源铝排结构件中,在正负极位置因为要与其它件通过螺丝相接,铝排螺丝孔处一般都有焊接0.1厚度的镍片, 这样一来可以防止氧化,二来是减少连接件的电阻,那么,对于这种特殊铝排焊接镍片的产品,新能源行业厂家的质量与技术要求如何呢?今天就来与大家科普相关知识。
硬铝排焊接镍片质量要求:
1、铝排局部指定表面热压焊纯镍片,厚度0.1mm,整体剥离力>30N,中间剥离力>20N;
2、不允许损坏纯镍片,热压区不得有凸起、凹坑及明显划痕;
3、热压安装面区域平面度<0.2mmm;
4、产品外观质量要求:不允许存在明显的毛刺、飞边、金属屑或其他异物残留。
5、未注尺寸公差按照GB/T 1804《一般公差_未注公差的线性和角度尺寸的公差》-m级执行。
硬铝排焊接镍片技术要求:
1、图纸仅表达零件的尺寸控制要求,其它尺寸以数模为准。2、所有的控制特征均是通过几何公差定义。
3、产品应满足RoHS要求或GB/T 30512-2014《汽车禁用物质》要求;
4、如果没有其他说明,则:所有的几何公差定义均基于其基准体系。
5、供应商报价时必须严格遵守本图纸要求。
6. AL.1060-0,材料标准满足SD-QES-MS-0017《变形铝及铝合金材料-材料标准》;
7.、铝材电导率:>3.4x10~7S/m;
产品外观质量满足SD-QES-PTS-025《铝硬连接-零件技术规格书》中第3.3相关规定要求。
10、未注尺寸公差按照GB/T 1804《一般公差 未注公差的线性和角度尺寸的公差》-m级执行。
11、铆接螺钉扭力要求破坏扭矩>5N。
微信扫一扫,联系我们:
近期新闻
推荐新闻
联系麦瑞斯
麦瑞斯推荐资讯 / Recommended News
-
致力于成为新能源铜铝排定制加工的快速交付工厂-合作客户超500家
支持样品与小批量定制,报价1天,样品3天,小批量7天,大批量10天!
通过ISO9001:2015、ISO14001:2015与IATF16949:2016体系认证,广东省高新技术企业。
拥有经验丰富的研发、制造和品保团队,严格按照客户质量要求,准时交付!麦瑞斯公司介绍.PDF【点击查看】
- (2024/3/11) 叠层铜排软连接导电载流量的计算公式
- (2017/9/21) 新能源汽车锂电池铜排解决方案介绍
- (2019/8/24) 工程必看的铜箔软连接的绝缘层4种加工方式
- (2024/2/23) 新能源汽车动力电池包设计要求与标准
- (2024/3/18) 软连接铜排温升对导电的影响与软铜排载流量计算公式
- (2024/3/12) 软铜排比一般冲压硬铜排单价高的原因
- (2019/10/23) 铜排软连接的加工流程与生产时常见问题
- (2017/7/4) 铜排软连接焊接两种焊接技术的比较
- (2024/3/14) 新能源汽车电池导电采用铝排软连接的几大好处
- (2019/6/15) 有一种铜排叫绝缘软母排-工程设计人员有必要了解一下

